STAINLESS FLANGE
SOP for plate flat welding flange
Classification:STAINLESS FLANGE
Hits:
key word:
None
Blind flange bl
product details
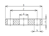
1: Product parameters
Product Name: 5K socket welding flange (forging) SOP
Product appearance: stainless steel metal color
Manufacturing process: forging + turning
2: Size specification









