STAINLESS SCREWED FITTINGS
Single head inner wire whpts
Classification:STAINLESS SCREWED FITTINGS
Hits:
key word:
product details
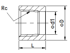
1: Product parameters
Product Name: single head inner wire whpts
Main materials: SUS304, SUS316
Thread standard: GB / T 7306, JIS B 0203, iso7-1
Product appearance: Metallic natural color
Manufacturing process: tube material + NC turning
2: Applicable pressure, material standard and size specification of the product










