鎮(zhèn)江STAINLESS FLANGE
鎮(zhèn)江Threaded flange tr
Classification:鎮(zhèn)江STAINLESS FLANGE
Hits:
key word:
product details
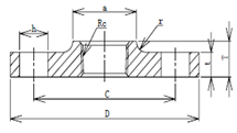
1: Product parameters
Product Name: 10K threaded flange (forged) tr
Product appearance: stainless steel metal color
Manufacturing process: forging + turning
2: Size specification









